SG胜游·[中国大陆]官方网站

全国服务热线 语言选择 :

027-87253366 027-87253338

设计之窗Design window

武大SG胜游结构股份有限公司

WUDAJUCHENG STRUCTURE CO.,LTD

总部:
武汉市东湖新技术开发区武大园路4号
邮编:
430223
电话:
027-87253366
027-87253338
邮箱:
wdjc@hscsh.com

首页 > 设计之窗 > 加固改造设计加固改造设计

水工闸墩、构筑物改造设计(水利与水力发电)

1、水工闸墩加固设计

适用范围:

主要解决一些水力发电站闸墩由于施工、运行及后期维护不当、整体改造等原因导致闸墩出现病害或承载力不满足设计要求,而闸墩又不能拆除重建,需进行加固处理的情况。

 

2、设计依据

《建筑结构荷载规范》(GB5009-2012)

《建筑结构可靠度设计统一标准》(GBJ50068-2001)

《混凝土结构设计规范》(GB50010-2010

《混凝土结构加固设计规范》(GB 50367-2013

《混凝土结构后锚固技术规程》(JGJ 145-2013

《水工建筑物止水带技术规范》(DL/T5215-2005

《水工混凝土施工规范》(SL 677-2014)

《水工混凝土结构设计规范》(SL191-2008)


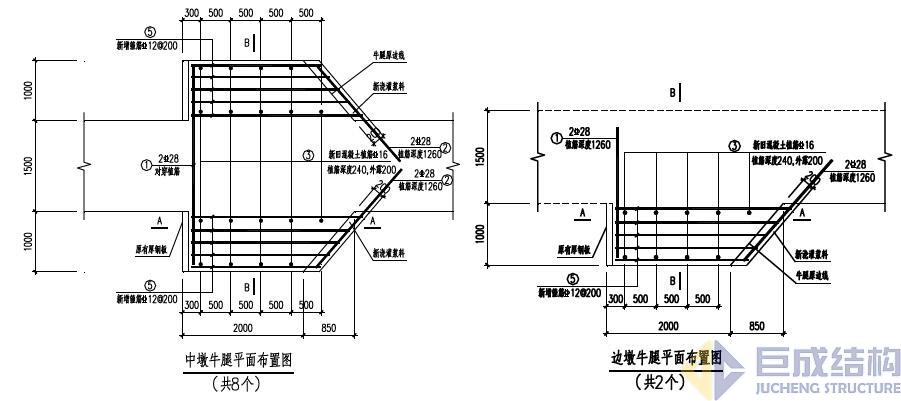
3、设计大样图


 

 

 

4、设计范例


  水闸牛腿及闸墩加固图 下载